Высокоточная литьевая машина
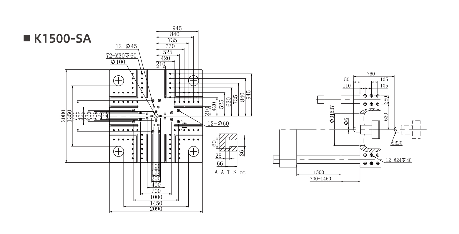
К1500-СА
ПРЕДЫДУЩИЙ ПРОДУКТ:К1850-СА
СЛЕДУЮЩИЙ ПРОДУКТ:К1300-СА
| ОПИСАНИЕ | ЕДИНИЦА | К1500-СА | ||||
| МЕЖДУНАРОДНЫЙ РАЗМЕРНЫЙ РЕЙТИНГ | 18200 | |||||
| А | Б | С | Д | |||
| ИНЖЕКЦИОННЫЙ БЛОК | Диаметр винта | мм | 130 | 140 | 150 | 160 |
| Соотношение винта л:D | 23.7 | 22 | 20.5 | 19.3 | ||
| Объем выстрела | см3 | 9291 | 10776 | 12370 | 14074 | |
| Вес выстрела (ПС) | г | 8455 | 9806 | 11257 | 12807 | |
| унция | 298.2 | 345.9 | 397.1 | 451.7 | ||
| Давление впрыска | Бар | 1959 | 1689 | 1471 | 1293 | |
| Скорость впрыска | см3/с | 1341 | 1555 | 1785 | 2031 | |
| Пластифицирующая способность | г/с | 156 | 195 | 229 | 246 | |
| Макс. скорость винта | об/мин | 113 | ||||
| ЗАЖИМНЫЙ БЛОК | Сила зажима | кН | 15000 | |||
| Пространство между перекладинами | мм | 1450x1350 | ||||
| Размер плит | мм | 2090x2080 | ||||
| Ход открытия | мм | 1500 | ||||
| Мин. мдд высота | мм | 700 | ||||
| Макс. высота формы | мм | 1450 | ||||
| Расстояние между плитами (дневной свет) | мм | 2950 | ||||
| Ход эжектора | мм | 350 | ||||
| Сила выталкивателя | кН | 320 | ||||
| Количество эжекторов | 25 | |||||
| БЛОК ПИТАНИЯ | Системное давление | Бар | 175 | |||
| Двигатель насоса | кВт | 42 54 54 | ||||
| Мощность нагрева | кВт | 91 | ||||
| ОБЩИЙ | Емкость масляного бака | L | 1300 | |||
| Размер машины (ДхШхВ) | М-м-м | 13,8x3,1x4,5 | ||||
| Вес машины | т | 87 | ||||
| Емкость бункера | кг | 400 | ||||
| Нет | Конфигурация компонентов | Бренд | Место происхождения | Область конфигурации |
| 1 | контроллер | Тайвань Techmation (AK628)8-дюймовая фрезерная обработка алюминия | Тайвань | К110-230 |
| 2 | контроллер | Тайвань Techmation(TECH1)8-дюймовая фрезерная обработка алюминия | Тайвань | К270-460 |
| 3 | контроллер | Тайвань Techmation (TECH2) Фрезерование алюминия 12 дюймов | Тайвань | К530-800 |
| 4 | Сервомасляный насос | США ВЫСОКИЕ ТЕХНИКИ | США | Полный диапазон |
| 5 | серводвигатель | ФАЗА | Италия | Полный диапазон |
| 6 | сервопривод | ФАЗА | Италия | Полный диапазон |
| 7 | Сервокомплект | Германия Рексрот | Германия | Необязательный |
| 8 | Реверсивный клапан | Япония ЮКЕН | Тайвань | Полный диапазон |
| 9 | Реверсивный клапан | США ВИКЕРС | США | Необязательный |
| 10 | Предварительно пластиковый мотор | ДАНДУН | Китай | Полный диапазон |
| 11 | Двигатель регулировки формы | ДАНДУН | Китай | Полный диапазон |
| 12 | Уплотнительный элемент | У.ХАЛЛИТ | Британия | Полный диапазон |
| 13 | система смазки | ХЕРГ | Китай | Полный диапазон |
| 14 | Автоматический выключатель | SCHNEIDER ELECTRIC | Франция | Полный диапазон |
| 15 | воздушный переключатель | SCHNEIDER ELECTRIC | Франция | Полный диапазон |
| 16 | Электронная линейка | Бонни | США | Полный диапазон |
| 17 | Электронная линейка | НОВОтек | Германия | Необязательный |
| 18 | Твердотельное реле | ФОТЕК | Тайвань | Полный диапазон |
| 19 | Переключатель хода | SCHNEIDER ELECTRIC | Франция | Полный диапазон |
| 20 | Бесконтактный переключатель | ФОТЕК | Тайвань | Полный диапазон |
| 21 | Винтовой ствол | ТОНГДА | Китай | Полный диапазон |
Фабрика высоких стандартов
Нинбо KSM Machinery Manufacturing Co., Ltd. это сотрудничество с итальянскими технологиями, специализирующимися на производстве высококачественных пластиковых формовочных машин. Наша корпорация расположена в промышленном парке Нинбо Бейлун Син Ао. У нас есть ряд сотрудников, занимающихся исследованиями и разработками, и мы сотрудничаем с группой высокотехнологичных предприятий. Как профессионал Китай К1500-СА-Высокоточная литьевая машина поставщики и OEM/ODM К1500-СА-Высокоточная литьевая машина компанияВ основном компания производит высокоточные термопластавтоматы с диапазоном усилия смыкания от 110 до 1850 тонн. Продукция имеет конструкцию высокой жесткости и оснащена импортными гидравлическими и электрическими элементами, используется шнек со смесительной головкой, чтобы иметь превосходные характеристики пластификации и быть подходящей для литья под давлением различных инженерных пластиков, а также доступен специальный заказ пользователя. С момента своего основания компания всегда обращала внимание на репутацию предприятия, осуществляла научные исследования, управление с рациональным дизайном, опиралась на качественное предпродажное, продажное и послепродажное обслуживание, чтобы завоевать доверие и одобрение огромного числа пользователей. Мы придерживаемся девиза: «Честно, постоянно совершенствоваться, делать упор на качество, никогда не расслабляться в усилиях». Искренне приветствуем друзей со всего мира за совет. Компания имеет центр исследований и разработок с сильным потенциалом развития. В то же время компания сотрудничает с отечественными университетами и колледжами в целях разработки и исследования оборудования для литья под давлением и производства пластмасс, а также машин для литья под давлением. Компания располагает современным оборудованием для испытаний шлангов и экспериментальным оборудованием. За последние годы центр исследований и разработок добился многих достижений в области машин для литья под давлением и оборудования для изготовления пластмасс, процесса вулканизации резины и разработки рецептур. Искренне приглашаем клиентов в стране и за рубежом посетить нашу фабрику и надеемся, что ваша долгосрочная корпорация создаст для вас прекрасное будущее!
Почему выбрали нас
У нас есть собственная испытательная лаборатория и современное и полное инспекционное оборудование, которое может гарантировать качество продукции, производимой нашим оборудованием.
Наша годовая производственная мощность составляет более 500 комплектов термопластавтоматов.
Мы уделяем особое внимание разработке высококачественной продукции для топовых рынков. Наша продукция соответствует международным стандартам и в основном экспортируется в Европу, Америку, Японию и другие страны мира.
Мы находимся всего в 15 километрах от порта Нинбо, отправлять товары в любые другие страны очень удобно и оперативно.
Гарантия высокого качества благодаря нашему опыту
Подлинное, надежное качество, естественно, выделяется и не боится никакого сравнения.
Предоставление вам последних новостей предприятия и отрасли.
1. Основная концепция многоместных форм. Многополые формы – это установка нескольких полостей ...
1. Энергоэффективность машин для литья под давлением ПЭТ. Машины для литья под давлением ПЭ...
Являясь ключевым оборудованием современного промышленного производства, автоматизация Машины ...
В процессе литья под давлением система контроля температуры пресс-формы играет жизненно важную ро...
Машины для литья пластмасс под давлением играют важную роль в современной промышленности. О...
В современном производстве формы являются незаменимым и ключевым компонентом процесса литья под д...